craftsman 921.1664 air compressor user manual

Atlas Air Compressor User Manual | Page 3 / 70. 9 Images about Atlas Air Compressor User Manual | Page 3 / 70 : Compressed Air Handbook : Atlas Air Compressor User Manual | Page 6 /, Compair cyclon-3 air compressor user manual-parts supplier and also Atlas Air Compressor User Manual | Page 3 / 70.

Atlas Air Compressor User Manual | Page 3 / 70

Atlas Air Compressor User Manual | Page 3 / 70 www.manualsdir.com

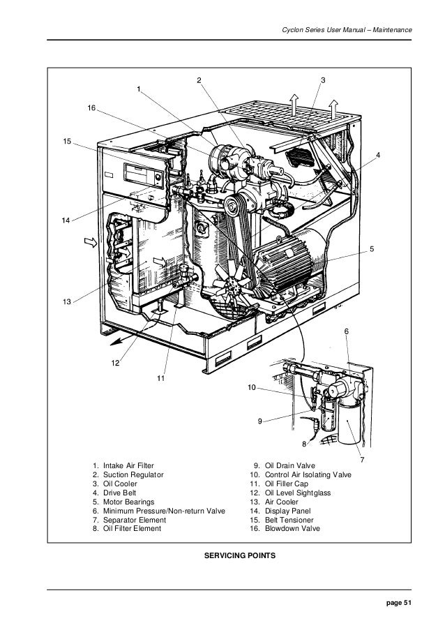
Compair Cyclon-3 Air Compressor User Manual-parts Supplier

Compair cyclon-3 air compressor user manual-parts supplier www.slideshare.net

compair cyclon

Compair Cyclon-3 Air Compressor User Manual-parts Supplier

Compair cyclon-3 air compressor user manual-parts supplier www.slideshare.net

compair

Compair Cyclon-3 Air Compressor User Manual-parts Supplier

Compair cyclon-3 air compressor user manual-parts supplier www.slideshare.net

compair cyclon

Briggs & Stratton Air Compressor User Manual

Briggs & Stratton Air Compressor User Manual manualmachine.com

manual compressor air stratton briggs user

Compressed Air Handbook : Atlas Air Compressor User Manual | Page 6 /

Compressed Air Handbook : Atlas Air Compressor User Manual | Page 6 / every-day-project.blogspot.com

craftsman manualzz troubleshooting

Harbor Freight Tools CENTRAL PNEUMATIC 47407 : Air Compressor User Manual

Harbor Freight Tools CENTRAL PNEUMATIC 47407 : Air Compressor User Manual www.manualshelf.com

compressor air manual user pneumatic central freight harbor tools

DENAIR Direct Driven Air Compressor User Manual_EEI 2 | Valve

DENAIR Direct Driven Air Compressor User Manual_EEI 2 | Valve www.scribd.com

2 Installation Proposal (fig. 2.6) | Atlas Air Compressor User Manual

2 installation proposal (fig. 2.6) | Atlas Air Compressor User Manual www.manualsdir.com

compressor atlas air

Craftsman manualzz troubleshooting. Atlas air compressor user manual. Manual compressor air stratton briggs user